¢3.0MM 紅-黃綠雙色共陰透明發光二極管 發光二極管正負極
物料編碼:LX363SURSYGC-A1 型號:¢3.0MM紅-黃綠雙色共陰透明
發光顏色:紅-黃綠雙色
膠體顏色:
工作電流:20(mA)
工作電壓:R:1.8-2.4;B:1.8-2.4(V)
亮度:R:100;YG:35(MCD)
波長:R:620-630;YG :569-578(NM)

- ¢3.0MM 紅-黃綠雙色共陽霧狀發光二極管 發光二極管壽命
- 品牌:林欣
物料編碼:LX363SURSYGW-A2 型號:¢3.0MM紅-黃綠雙色共陽霧狀
發光顏色:紅-黃綠雙色
膠體顏色:霧狀乳白色
工作電流:20(mA)
工作電壓:R:1.8-2.4;B:1.8-2.4(V)
亮度:R:100;YG:30(MCD)
波長:R:620-630;YG :569-578(NM)

- ¢3.0MM 紅-黃綠雙色共陰霧狀發光二極管 發光二極管參數
- 品牌:LX
物料編碼:LX363SURSYGW-A1 型號:¢3.0MM紅-黃綠雙色共陰霧狀
發光顏色:紅-黃綠雙色
膠體顏色:霧狀乳白色
工作電流:20(mA)
工作電壓:R:1.8-2.4;B:1.8-2.4(V)
亮度:R:100;YG:30(MCD)
波長:R:620-630;YG :569-578(NM)

- ¢10.0MM RGB 全彩直插LED燈珠
- 品牌:LX/林欣
物料編碼:LX104-10SURUBGUBC-A2
型號:¢10.0MMRGB共陽透明
發光顏色:紅-綠-藍三色(RGB全彩)
膠體顏色:透明
工作電流:20(mA)
工作電壓:R:2.0;G:3.0;B:3.0(V)
亮度:R:1000;G:7000;B:5000(MCD)
波長:R:625;G:525;B:465(NM)
引腳:17(MM)

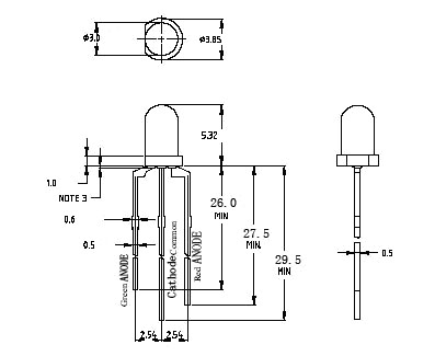
1.1.本¢3.0MM紅-黃綠共陰透明(即三個引腳中的中間引腳為紅色和黃綠色共用的負極,左右兩邊的引腳分別為綠色和紅色的正極)雙色插件發光二極管產品完全符合歐盟“ROHS”,“REACH”環保認證以及“EN62471”光生物環境認證;
1.2.具有光強高,功耗低,可靠性高,節能環保,壽命長等優點;
1.3.廣泛應用于數碼產品,家用電器,消費類電子產品,LCD背光,汽車電子,儀品儀表,工業設備,電子玩具,顯示屏,戶外裝飾,工業照明等方面.
光電參數
| 參數名稱 | 條件 | 單位 | 最小值 | 中間值 | 最大值 |
| 正向電壓VF | IF=20mA | SUR(V) | 1.8 | 2.4 | |
| SYGC(V) | 1.8 | 2.4 | |||
| 反向電流IR | VR=5V | μA | 10 | ||
| 峰值波長λP | IF=20mA | SUR(nm) | 620 | 630 | |
| SYGC(nm) | 568 | 572 | |||
| 半光強視角2θ½ | IF=20mA | deg | 30 | ||
| 光強IV | IF=20mA | SUR(mcd) | 200 | ||
| SYGC(mcd) | 70 |
外形尺寸

使用注意事項
1.焊接
1.1.使用烙鐵人手焊接
推薦使用少于25W的烙鐵,而且烙鐵的溫度必須保持不高于350℃,焊接位置距離膠體底面大于3mm,焊接時間不能超過3秒。
1.2.回流焊
1.2.1.溫度不得超過260度,時間為10秒,且回流焊接次數不得超過兩次;
1.2.2.焊接位置距離膠體底面大于3mm ,浸焊最長時間:5秒;
1.2.2.焊接過程中,嚴禁在高溫情況下觸碰膠體;在焊接后,禁止對膠體施加外力,以避免撞擊LED。注意避免LED引腳遭受腐蝕或變色,否則會造成焊接困難,建議盡早及時使用;
2.清洗 在焊接后必須按照以下條件進行清洗
2.1.清洗溶劑:氟利昂TF或相等溶劑,或者用酒精;
2.2.溫度:30秒 最高50℃ 或者 3分鐘 最高30℃;
2.3.超聲波清洗:最大300W。
3.防靜電
3.1.LED發光二極管屬于SSD(靜電敏感性器件)半導體器件,且各種芯片的抗ESD能力(特別是對于白、翠綠、藍、紫色LED)也有所不同,因此,這就需要用戶在半成品、成品裝配過程中必須加強對靜電的防范(尤其在氣候干燥的冬季),做好預防靜電產生和消除靜電工作;
3.2.所有接觸LED的儀器設備(如切腳機、錫爐、波峰焊、回流焊、SMT設備、電烙鐵,檢測設備)及必須接地,接地交流阻抗小于1.0歐姆;
3.3.所有接觸LED的人員必須穿防靜電服并配戴防靜電手腕帶或防靜電手套,取放時盡可能觸拿膠體部分;
3.4.盛裝LED需使用防靜電元件盒,包裝則采用防靜電包裝材料,請保持環境濕度在60%左右,以免空氣過于干燥產生靜電;
3.5.如LED發光二極管被靜電損害,會顯示一些不良特性,如漏電電流增加,靜態順向電壓降低或上升,在低電流測試時不亮或發光不正常.
4.其他使用注意事項
4.1.引腳成形必須在焊接前完成,電路版上的安裝孔之間的距離請與電極引腳保持一致;
4.2.產品在高溫狀態下進行引腳裁切會產生不良,請在常溫下進行引腳裁。
¢3.0MM雙色發光二極管的參數及型號繁多,要了解更多有關于¢3.0MM直插式發光二極管的我們規格型號,參數,價格等詳細資訊,請致電:0755-84859893,我們會按您的要求免費定制您所需的發光二極管!
質量保證

安全可靠
生產經層層檢驗認證,確保安全"0"故障,獲IEC/EN62471光生物安全認證

超低能耗
低于行業使用電能30%,使用壽命更長達15年,打造行業新標準

綠色環保
選用環保原料材質,均通過"ROHS","REACH"環保認證

質量管理體系完善
以客戶需求為中心,做您最滿意的電源信號指示燈產品
| * 聯系人: | 請填寫您的真實姓名 |
| * 手機號碼: | 請填寫您的聯系電話 |
| 電子郵件: | |
| * 采購意向描述: | |
| 請填寫采購的產品數量和產品描述,方便我們進行統一備貨。 | |
| 驗證碼: |
|

- ¢3.0MM 紅-黃綠雙色共陽霧狀發光二極管 發光二極管壽命
- 品牌:林欣
物料編碼:LX363SURSYGW-A2 型號:¢3.0MM紅-黃綠雙色共陽霧狀
發光顏色:紅-黃綠雙色
膠體顏色:霧狀乳白色
工作電流:20(mA)
工作電壓:R:1.8-2.4;B:1.8-2.4(V)
亮度:R:100;YG:30(MCD)
波長:R:620-630;YG :569-578(NM)

- ¢3.0MM 紅-黃綠雙色共陰霧狀發光二極管 發光二極管參數
- 品牌:LX
物料編碼:LX363SURSYGW-A1 型號:¢3.0MM紅-黃綠雙色共陰霧狀
發光顏色:紅-黃綠雙色
膠體顏色:霧狀乳白色
工作電流:20(mA)
工作電壓:R:1.8-2.4;B:1.8-2.4(V)
亮度:R:100;YG:30(MCD)
波長:R:620-630;YG :569-578(NM)

- ¢10.0MM RGB 全彩直插LED燈珠
- 品牌:LX/林欣
物料編碼:LX104-10SURUBGUBC-A2
型號:¢10.0MMRGB共陽透明
發光顏色:紅-綠-藍三色(RGB全彩)
膠體顏色:透明
工作電流:20(mA)
工作電壓:R:2.0;G:3.0;B:3.0(V)
亮度:R:1000;G:7000;B:5000(MCD)
波長:R:625;G:525;B:465(NM)
引腳:17(MM)
相關資訊
| 我要評論: | |
| *內 容: |
(內容最多500個漢字,1000個字符) |
| *驗證碼: | 看不清?! |
貼片 LED
- 0603 SMD LED系列0603 0.8T單色系列0603 0.6T 單色系列0603 0.4T單色系列0603側面發光系列0603雙色系列0603RGB(全彩)
- 0805 SMD LED系列0805 1.1T單色系列0805 0.8T單色系列0805側面發光系列0805雙色系列0805RGB(全彩)
- 1206 SMD LED系列1206 1.1T單色系列1206 0.8T單色系列1206側面發光系列1206雙色系列1206RGB(全彩)
- 紅外線發射接收對管
直插式發光二極管
- 直插式單色發光二極管2.0MM直插式單色發光二極管3.0MM直插式單色發光二極管5.0MM直插式單色發光二極管2*3*4方形單色發光二極管2*5*7方形單色發光二極管
- 直插式雙色發光二極管3.0MM雙色發光二極管5.0MM雙色發光二極管2*3*4MM雙色發光二極管2*5*7MM雙色發光二極管
- RGB(全彩)直插式發光二極管5.0MM 全彩發光二極管8.0MM 全彩發光二極管2*5*5MM全彩發光二極管5.0MM草帽全彩發光二級管10.0MM全彩RGB發光二極管
氖燈
業務聯系:0755-84859893
傳真:0755-84857772
郵箱:sales@szlinxin.cn地址:深圳市龍崗區龍城街道啟迪協信科技園4棟1310室







共有-條評論【我要評論】